Генератор Verilog для обратного преобразователя из базиса вида (2^n-1, 2^n, 2^n+1)
Выберите n для формулы 2^n (от 3 до 43):
3
4
5
6
7
8
9
10
11
12
13
14
15
16
17
18
19
20
21
22
23
24
25
26
27
28
29
30
31
32
33
34
35
36
37
38
39
40
41
42
43
Тип обратного преобразователя:
Комбинационный
Синхронный однотактовый
Синхронный двухтактовый
Обратный конвертор для базиса: (7, 8, 9). Покрывается интервал [0;504)
module reverse_converter_9_8_7 (x1, x2, x3, out); input [3:0] x1; input [2:0] x2; input [2:0] x3; wire [5:0] a1; wire [5:0] a2; wire [5:0] a3; wire [5:0] sum1; wire [5:0] sum2; wire [5:0] sum3; output [8:0] out; coef_a1 ca1(x1,a1); coef_a2 ca2(x2,a2); coef_a3 ca3(x3,a3); sum_modulo_63 sm1(a2, a3, sum1); sub_a1_x1 sm2(a1, x1, sum2); sum_modulo_63 sm3(sum1, sum2, sum3); assign out[0] = x2[0]; assign out[1] = x2[1]; assign out[2] = x2[2]; assign out[3] = sum3[0]; assign out[4] = sum3[1]; assign out[5] = sum3[2]; assign out[6] = sum3[3]; assign out[7] = sum3[4]; assign out[8] = sum3[5]; endmodule module coef_a3 (x3, a3); input [2:0] x3; output [5:0] a3; assign a3[5] = x3[0]; assign a3[4] = x3[2]; assign a3[3] = x3[1]; assign a3[2] = x3[0]; assign a3[1] = x3[2]; assign a3[0] = x3[1]; endmodule module coef_a2 (x2, a2); input [2:0] x2; output [5:0] a2; assign a2[5] = ~x2[2]; assign a2[4] = ~x2[1]; assign a2[3] = ~x2[0]; assign a2[2] = 1; assign a2[1] = 1; assign a2[0] = 1; endmodule module coef_a1 (x1, a1); input [3:0] x1; output [5:0] a1; wire bx; assign bx = x1[3] ^ x1[0]; assign a1[5] = bx; assign a1[4] = x1[2]; assign a1[3] = x1[1]; assign a1[2] = bx; assign a1[1] = x1[2]; assign a1[0] = x1[1]; endmodule // Sum modulo (2^6 - 1) = 63 module sum_modulo_63 (in1, in2, out); input [5:0] in1; input [5:0] in2; output reg [5:0] out; wire [6:0] data; wire [6:0] data2; assign data = in1 + in2; assign data2 = in1 + in2 + 1; always @(*) begin if (data2[6] == 1) out <= data2[5:0]; else out <= data[5:0]; end endmodule module sub_a1_x1 (a1, x1, out); input [5:0] a1; input [3:0] x1; output [5:0] out; assign out = a1 - x1; endmodule module atest_bench(); reg [3:0] x1; reg [2:0] x2; reg [2:0] x3; wire [8:0] out; integer l; reg dummy; integer fori; reverse_converter_9_8_7 r1(x1, x2, x3, out); initial begin for (fori = 0; fori < 504; fori = fori + 1) begin x1 = fori%9; x2 = fori%8; x3 = fori%7; #1 dummy = 1; $display ("!!! Res=(%d) Expect=(%d)", out, fori); l = out; if (l != fori) begin $display ("!!! Error (%d, %d)!!!", fori, l); end #1 dummy = 1; end end endmodule
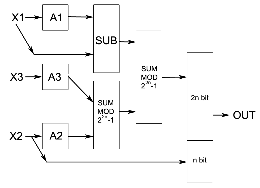
Схема работы
:
Структурные схемы
:
Схемы обратных преобразователей (2^n-1, 2^n, 2^n+1)
Результаты тестирования
:
Результаты синтеза прямых/обратных преобразователей на спец модулях вида 2
n
-1, 2
n
, 2
n
+1 до 128 бит.
На главную